Втулки направляющие клапанов SENS
Направляющие клапанов Sens 245-1007033-10
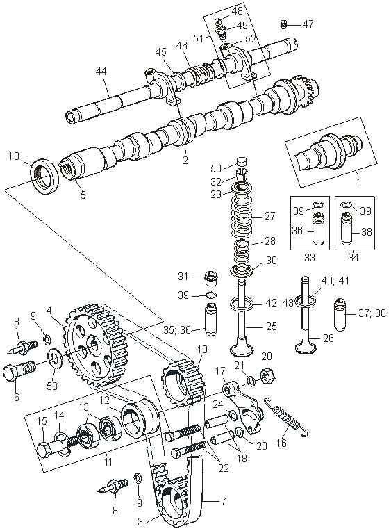
Описание
Цена за комплект.
Втулка впускного клапана - 4 шт. Втулка выпускного клапана - 4 шт.
Для двигателя 1.3 ЗАЗ SENS и ЗАЗ CHANCE.
Номера на рисунке - 35 и 37.
Каталожное название "Втулка впускного клапана", "Втулка выпускного клапана".
Номера по каталогу 245.1007032, 245.1007033 и 245.1007032 (ограничительные кольца).
Подходит для моделей:
- ZAZ Sens седан 1.3;
- ZAZ Chance седан 1.3 S;
- ZAZ Chance седан 1.3 SE;
- ZAZ Chance седан 1.3 SX;
- ZAZ Chance хэтчбэк 1.3 S;
- ZAZ Chance хэтчбэк 1.3 SE;
- ZAZ Chance хэтчбэк 1.3 SX.
Также подходят для автомобилей Таврия/Славута и Дана.







